|
Relé de corriente trifásico para el control/limitación de la corriente de carga en el rango de 40-100 A, fabricante TENSE (Turquía)
Los relés de sobreintensidad digitales TRM-100 están diseñados para proteger las cargas de los daños causados por corrientes elevadas, al tiempo que permiten controlar el funcionamiento.
- 40-100 A (valor de sobreintensidad ajustable) - 50% de asimetría de corriente fija - Tiempo de retardo de fallo ajustable - Modo de funcionamiento ajustable (automático, semiautomático, manual) - Cuando compra un relé de corriente TENSE obtiene un dispositivo completo listo para funcionar - transformadores de corriente incluidos.
Utilización del aparato y principio de funcionamiento
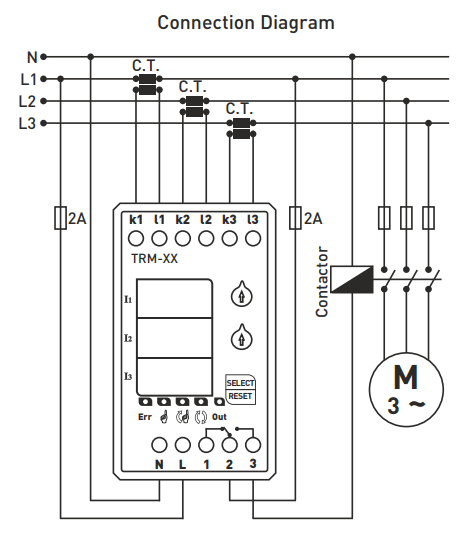
- Conecte el dispositivo de acuerdo con el diagrama de cableado.
- Una vez realizado el cableado, conecte la alimentación. Tras el encendido, la pantalla muestra los valores ajustados durante 5 segundos.
- Ajuste el valor de sobreintensidad con el regulador "A>". El valor ajustado se muestra en la pantalla izquierda.
- Utilice el regulador "t" para ajustar el tiempo de retardo. El valor ajustado también se muestra en la pantalla izquierda.
Al conectar el aparato: - El relé se activa, el contacto de salida pasa al borne 3 y el indicador OUT se enciende. - Si la corriente supera el valor de sobreintensidad ajustado (A>), el aparato inicia la cuenta atrás del tiempo de retardo y el indicador ERR se enciende. - Una vez transcurrido el tiempo, el relé se desconecta, el contacto pasa al borne 1 y el indicador OUT se apaga.
Descripción
El relé electrónico de corriente de la serie TRM-100 está diseñado para desconectar automáticamente los aparatos cuando se supera la corriente máxima permitida. Permite ajustar la corriente de conmutación, el tiempo de retardo y el tiempo de retorno.
Dispone de tres programas para volver al modo "trabajo": MANUAL, SEMIAUTOMÁTICO y AUTOMÁTICO.
Modos de rearme:
- Modo manual: Después de un fallo de sobreintensidad, el aparato debe rearmarse pulsando el botón de rearme. En este modo, se enciende el LED correspondiente. - Modo semiautomático. En este modo, se enciende el LED correspondiente. - Modo automático: El sistema se reinicia automáticamente después de cada fallo de sobreintensidad. En este modo, el LED correspondiente se ilumina.
Nota: Para cambiar de modo, mantenga pulsado el botón SELECT durante 10 segundos. Cuando se cambie de modo, se encenderá el indicador LED correspondiente.
Asimetría 50% (fija)
Si la diferencia entre la corriente de fase mayor y menor supera el 50%, el aparato entra en el modo de fallo por asimetría en 2 segundos. (Esto evita daños en el sistema si se pierde una fase durante el funcionamiento del motor).
Durante un fallo de asimetría: - El grupo de visualización de las dos fases que causaron el fallo parpadeará y el indicador ERR se encenderá. - Para salir del modo de fallo, el aparato debe rearmarse manualmente.
Parámetros técnicos:
- Tensión de funcionamiento: 150-260 VAC. - Frecuencia de funcionamiento: 50/60 Hz - Consumo eléctrico: < 6 VA - Temperatura de funcionamiento: de -20 °C a +55 °C - Pantalla: 3x3 dígitos, 5 LEDs - Ajuste de sobreintensidad (A>): 40-100 A - Tiempo de retardo: 0,1 s - 20 s - Tipo de conexión: terminal - Contactos: 5 A / 250 V AC (carga activa) - Diámetro del cable: 2,5 mm². - Peso: máx. 250 g - Montaje: en carril DIN - Altitud de funcionamiento: < 2000 m
Nota: Los modelos TRM-50, TRM-100, TRM-200 y TRM-300 sólo pueden utilizarse con los transformadores de corriente incluidos en el suministro. El TRM-400 puede utilizarse con el transformador de corriente 400/5 suministrado con el TRM-400. Básico
|
Fabricante
|
Tense
|
|
País de fabricación
|
Turquía
|
|
Tipo de instalación
|
Montaje en carril DIN
|
|
Número de contactos de expansión
|
1 unid.
|
|
Número de contactos de conmutación
|
1 unidad
|
|
Sección transversal de los cables conectados
|
2,5 mm
|
|
Material de la carcasa
|
Plástico
|
|
Vista
|
Sí
|
|
Masa
|
250 g
|
|
LED de encendido/apagado
|
Sí
|
|
"LED "Sobrecarga
|
Sí
|
|
Temperatura mínima de almacenamiento
|
-5 grados
|
|
Temperatura máxima de almacenamiento
|
55 grados
|
|
Nivel de protección IP
|
30
|
|
Vida útil
|
10 años
|
|
Especificaciones técnicas
|
|
|
Número de fases
|
3
|
|
Tensión nominal de funcionamiento en CA
|
220V
|
|
Corriente nominal
|
5A
|
|
Frecuencia de corriente
|
50 Hz
|
|
Corriente nominal
|
3W
|
|
Temperatura mínima de funcionamiento
|
-5 grados
|
|
Temperatura máxima de funcionamiento
|
55 grados.
|
|
Dimensiones generales
|
|
|
Longitud
|
85 mm
|
|
Altura
|
75 mm
|
|
Anchura
|
44 mm
|
|
Características
|
|
|
Tiempo de retardo
|
0,1 s - 20(s)
|
|
Instalación
|
DIN+tornillos
|
|
Rango
|
40-100 A
|
|