Aspiradores / Ventiladores
Instrumentos de medición
Interruptores de levas / Interruptores de palanca
Cajas de plástico vacías
Calefacción, ventilación, refrigeración
Luminarias, bombillas LED
Señalización óptica y acústica
Bloques terminales
Componentes de compensación
Transformadores de corriente para instrumentos
Controladores de nivel
Convertidores de protocolo
Enchufes, clavijas y extensiones
Reguladores de temperatura y sensores
Relé de protección
Relés de tiempo
Descripción
Relé de protección de fase TENSE - asimetría ajustable 5-50
El relé de protección de fase deTENSE (Turquía)está diseñado para proteger motores eléctricos trifásicos y otros equipos trifásicos de fallos en la red de suministro eléctrico. El dispositivo comprueba lasecuencia de fases correcta, laasimetría de fases, lasubtensióny lasobretensión, y garantiza la desconexión segura de la carga cuando se superan los límites establecidos.
La amplia gama de ajustes hace que el relé sea adecuado para la mayoría de las aplicaciones industriales y comerciales, especialmente cuando se requiere una protección precisa y estable del motor.
Características principales
-
Control de secuencia de fases: protección contra cableado incorrecto.
-
Asimetría ajustable: 5% - 50%.
-
Subtensión ajustable: 260-360 V CA.
-
Sobretensión ajustable: 400-480 V CA.
-
Tiempo de retardo de error ajustable (Err In): 1-30 s.
-
Tiempo de recuperación ajustable (Err OUT): 1-30 s.
-
Indicación clara enpantalla de 3×3 segmentos.
-
Alta precisión y rápida respuesta a los fallos de la red.
-
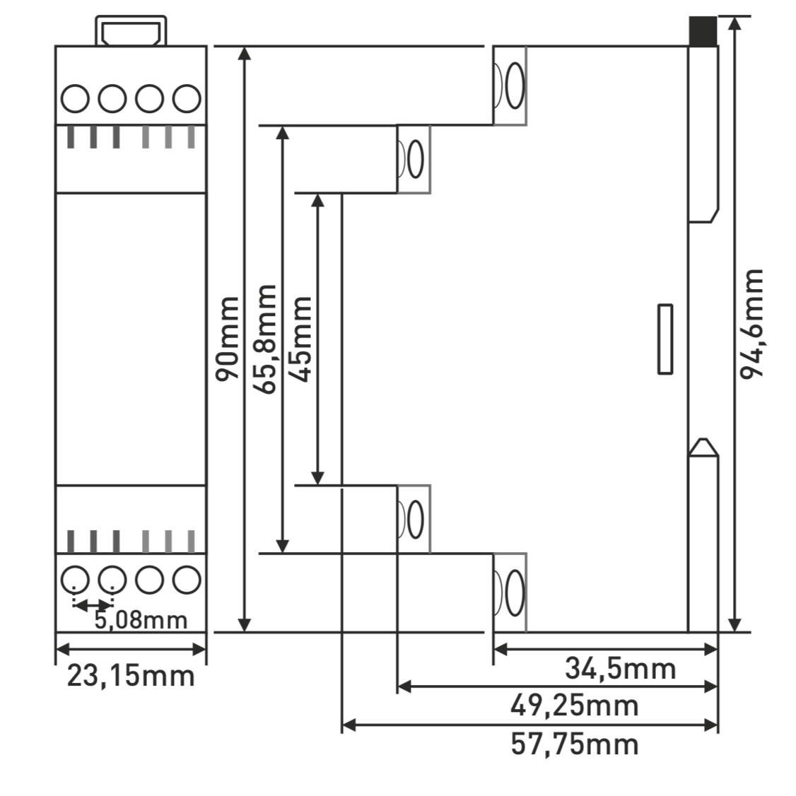
Montaje encarril DINestándar.
Principios de funcionamiento
Funcionamiento normal
Cuando todas las tensiones de fase están dentro de los límites y la secuencia de fases es correcta:
-
el relé se dispara,
-
El LEDOUTse enciende.
Error de alta tensión (H)
-
Si la fase supera el límite ajustado →Err Intime está pendiente, se visualizaH.
-
El relé se desconecta, OUT se apaga.
-
Cuando 5 V caen por debajo del valor ajustado, ErrOUTempieza a funcionar, el relé se enciende de nuevo.
Error de baja tensión (L)
-
Caída por debajo del límite ajustado →Err Enespera, se visualizaL.
-
El relé se desconecta.
-
Cuando la tensión sube 5 V por encima del umbral →ErrOUT en espera, el relé se activa.
Asimetría de fases (Asy)
-
Si la diferencia de tensión entre fases supera el umbral fijado (5-50%):
-
ASyse visualiza después del tiempoErrIn, el relé se desactiva.
-
-
Cuando la asimetría se reduce por debajo de (umbral fijado - 2%) → tiempo de esperaErrOUT, el relé se activa.
Error de secuencia de fases (pHs)
-
Cuando se produce un error de secuencia de fases, el relé espera a ErrIny, a continuación, muestrapHs.
-
El relé se apaga y permanece apagado hasta que se restablece la secuencia correcta.
-
Una vez corregida la secuencia de fases, se produce ErrOUTy el relé se enciende.
Parámetros técnicos
| Parámetro | Valor |
|---|---|
| Tensión de funcionamiento (Un) | 3×380 V CA + N |
| Frecuencia | 50/60 Hz |
| Potencia de entrada | < 6 VA |
| Temperatura ambiente | -20 °C a +55 °C |
| Umbral de alta tensión | 400-480 V CA |
| Umbral de baja tensión | 260-360 V CA |
| Asimetría | 5-50% (ajustable) |
| Tiempo de error (Err In) | 1-30 s |
| Tiempo de rearme (Err OUT) | 1-30 s |
| Contacto de relé | 5 A / 250 V CA (carga resistiva) |
| Pantalla | 3×3 segmentos, 1 LED |
| Montaje | Carril DIN |
| Peso | < 150 g |
| Altura máxima de instalación | < 2000 m |
| Sección de cable | hasta 2,5 mm² |
