Aspiradores / Ventiladores
Instrumentos de medición
Interruptores de levas / Interruptores de palanca
Cajas de plástico vacías
Calefacción, ventilación, refrigeración
Luminarias, bombillas LED
Señalización óptica y acústica
Bloques terminales
Componentes de compensación
Transformadores de corriente para instrumentos
Controladores de nivel
Convertidores de protocolo
Enchufes, clavijas y extensiones
Reguladores de temperatura y sensores
Relé de protección
Relés de tiempo
Descripción
Analizador de redes trifásico / Analizador de redes / Analizador de redes - medidor de panel digital multifunción, indicador de corriente, tensión, frecuencia y potencia total, con salida de relé, RS485 ModBus RTU - TPM-04SHDL fabricante TENSE (Turquía) medidores de panel.
Los analizadores de potencia están diseñados para medir y monitorizar valores eléctricos. Gracias a la función de comunicación, los valores de energía medidos se pueden supervisar y notificar de forma independiente. Los analizadores de potencia permiten realizar análisis como la calidad de la energía, la eficiencia y el cálculo del coste unitario.
Principales ventajas:
- RS485 Modbus RTU (1200-19200b/s)
- Transformador de tensión trifásico y transformador de corriente trifásico.
-
Muestra los componentes armónicos de tensión y corriente hasta el 31º armónico.
-
Muestra la potencia activa por fase (P)
-
Muestra la potencia reactiva por fase (Q, inductiva y capacitiva)
-
Muestra la potencia aparente por fase (S)
-
Muestra los valores de Cosφ y factor de potencia de cada fase.
-
Muestra los valores de tensión (V) e intensidad (I) entre fases y neutro y mide la frecuencia.
-
Muestra los valores totales de importación y exportación de energía activa (ΣkWh).
-
Muestra los valores totales de energía reactiva inductiva y capacitiva (ΣkVArh).
-
Muestra los valores mínimo y máximo, demanda máxima
-
2 salidas de relé, 1 entrada digital
-
Registros de eventos (alta/baja tensión/corriente, asimetría tensión/corriente, THD-I)
-
El menú está protegido por contraseña.
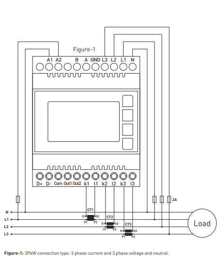
Normalmente este analizador de redes se utiliza con transformadores de medida de corriente - 60/5 75/5 100/5 150/5 200/5 250/5 300/5 400/5 500/5 600/5 800/5 1000/5 1500/5 o similares. Si va a conectar el analizador al ModBus, le enviaremos una "Tabla de Registro" con las direcciones ModBus a petición.
Datos técnicos
Rango de medida:(X/5) , 5V -300V AC, 5V - 330kV (medida indirecta).
Precisión de medida: ±%0,5 (I,V) ±%1 Activa ±%2Reactiva
Relación del transformador de corriente: 1...1000
Relación del transformador de tensión: 1...999
Dimensiones de montaje: 91x91 mm
Tensión de funcionamiento (Un):85V - 240V AC
Frecuencia de funcionamiento:50/60 Hz
Potencia de funcionamiento:Tensión de funcionamiento:<10VA
Temperatura de funcionamiento:-20 °C .... +55 °C
Tipo de conexión:Terminal enchufable
Montaje:Montaje en carril DIN
