Aspiradores / Ventiladores
Instrumentos de medición
Interruptores de levas / Interruptores de palanca
Cajas de plástico vacías
Calefacción, ventilación, refrigeración
Luminarias, bombillas LED
Señalización óptica y acústica
Bloques terminales
Componentes de compensación
Transformadores de corriente para instrumentos
Controladores de nivel
Convertidores de protocolo
Enchufes, clavijas y extensiones
Reguladores de temperatura y sensores
Relé de protección
Relés de tiempo
Descripción
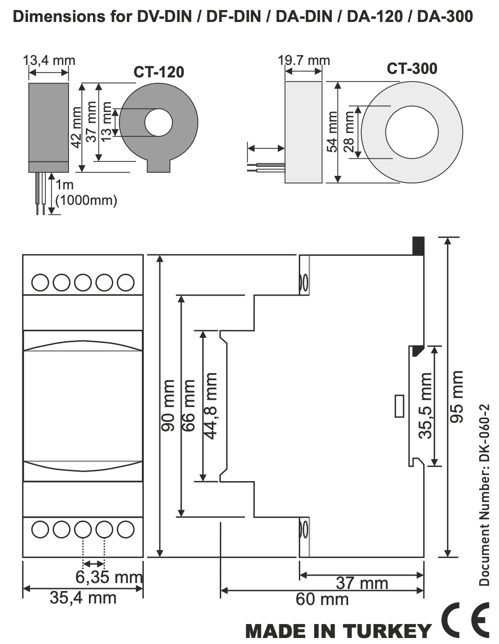
Amperímetro digital para CA 100 ó 250 amperios True RMS, medida indirecta, transformador de medida incluido, medidores de panel TENSE
El amperímetro se monta en carril DIN estándar de 35 mm
Datos técnicos
Rango de medida:1A - 100A (DA-120), 2A - 250A (DA-300)
Precisión de medición: ±%3(A)
Tensión de funcionamiento (Un):140V-280V CA
Frecuencia de funcionamiento:50/60 Hz
Potencia de funcionamiento: <3VA
Temperatura de funcionamiento:-20 °C .... +55 °C
