Aspiradores / Ventiladores
Instrumentos de medición
Interruptores de levas / Interruptores de palanca
Cajas de plástico vacías
Calefacción, ventilación, refrigeración
Luminarias, bombillas LED
Señalización óptica y acústica
Bloques terminales
Componentes de compensación
Transformadores de corriente para instrumentos
Controladores de nivel
Convertidores de protocolo
Enchufes, clavijas y extensiones
Reguladores de temperatura y sensores
Relé de protección
Relés de tiempo
Descripción
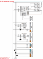
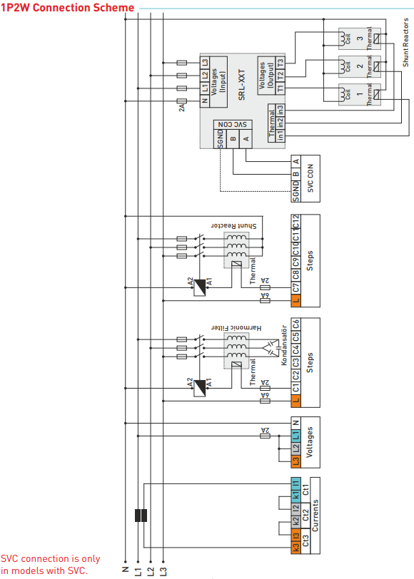
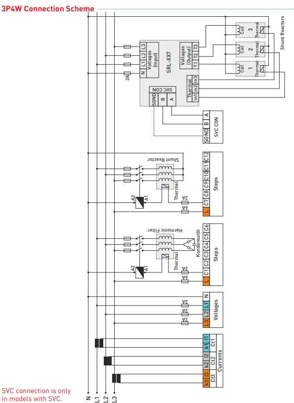
Controlador del factor de potencia 12 etapas + TCR con pantalla LCD gráfica de 2,9" (TENSE) - RGT-12E
El controlador de potencia reactivaRGT-12EdeTENSEes un controlador totalmente automático y de alta precisión diseñado para el control óptimo de las etapas de compensación en sistemas de potencia. Con medición digital, algoritmos inteligentes y una pantalla LCD gráfica, garantiza un factor de potencia estable, un control eficaz de la potencia reactiva y la protección del equipo de compensación.
Principales características y funciones
Detección automática de etapas de compensación
El regulador se configura automáticamente tras el encendido:
-
detecta automáticamente el tamaño de las etapas de condensadores conectadas
-
también es posible introducir los parámetros manualmente
-
el sistema comprueba continuamente el estado de cada etapa
Control de conmutación inteligente
El controlador conecta y desconecta las etapas de forma que
-
se consiga un factor de potencia estable con un número mínimo de conmutaciones
-
las etapas individuales se carguen uniformemente
-
se prefieran los condensadores con menor carga residual
-
el estado de cada etapa se comprueba simultáneamente (fallos, cambios de potencia, retirada y reinserción).
Soporte TCR (Thyristor Switched Reactor)
El controlador permite el control de compensación con reactores conmutados por tiristor, lo que resulta ideal para:
-
Aplicaciones industriales
-
compensación dinámica
-
sistemas con cambios frecuentes de carga
Medición y análisis avanzados
-
Medición de tensiones y corrientes armónicas hasta el31º armónico
-
Supervisión de la energía total (importación/exportación)
-
Mediciones de THD-V y THD-I para cada fase
-
Generación de análisis de potencia (20 muestras de 9999 min) - muy útil para diseñar conjuntos decompensaciónCableado flexible de elementos de compensación
Opciones de aplicación:
-
condensadores monofásicos
-
condensadores bifásicos
-
condensadores trifásicos
-
reactancias shunt
Funciones de tiempo ajustables
Se puede ajustar
-
tiempo de intervención
-
tiempo de descarga
-
tiempo de establecimiento
Esto permite ajustar con precisión el control a la naturaleza de la operación.
Funciones del generador
El regulador dispone de:
-
Entrada de control del generador
-
Función de compensación de la alimentación del generador
Características técnicas (breve resumen)
-
12 salidas de compensación de relé
-
Soporte TCR
-
Pantalla gráfica LCD de 2,9
-
Detección automática de etapas
-
Medición de armónicos hasta el orden 31
-
Estadísticas e historial de energía
-
THD-V / THD-I
-
Soporte para etapas monofásicas, bifásicas y trifásicas
-
Tiempo de apagado, encendido y descarga programable
-
Protección contra fallos en etapas
Datos técnicos
Instalación:en el panel frontal
Orificio de montaje:140 mm x 140 mm
Tipo de conexión:abrazadera de enchufe
Fijación:clavija para enchufe:Fijación: estribo de sujeción
