Aspiradores / Ventiladores
Instrumentos de medición
Interruptores de levas / Interruptores de palanca
Cajas de plástico vacías
Calefacción, ventilación, refrigeración
Luminarias, bombillas LED
Señalización óptica y acústica
Bloques terminales
Componentes de compensación
Transformadores de corriente para instrumentos
Controladores de nivel
Convertidores de protocolo
Enchufes, clavijas y extensiones
Reguladores de temperatura y sensores
Relé de protección
Relés de tiempo
Descripción
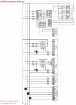
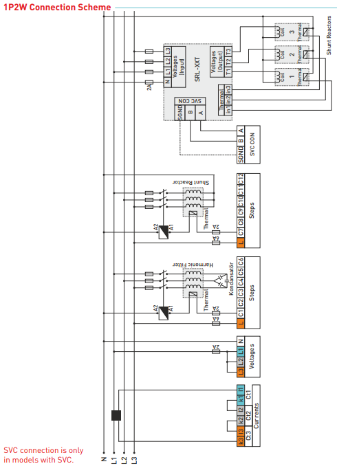
Controlador de potencia reactiva RGT-12 SVC - 12 escalones + SVC, LCD, RS485 MODBUS RTUdimensiones147 × 147 mmfabricanteTENSE (Turquía)
Descripción del dispositivo
El RGT-12 SVCes uncontrolador trifásicode compensación de potencia reactiva de 12 pasos con pantalla gráfica LCD, compatible conSVC (Static VAR Compensation).
-
Se utiliza paracompensar tanto la potencia reactiva inductiva como la capacitiva.
-
Si la potencia reactiva inductiva procede de la red → el controlador conecta condensadores.
-
Si la potencia reactiva capacitiva procede de la red → el controlador conecta un inductor en derivación.
-
Reduce eficazmente la relación entre energía inductiva y capacitiva y optimiza el factor de potencia.
-
Permiteuna compensación escalonada eficiente para sistemas desequilibrados.
Qué es el SVC (TCR)?
El SVCes un sistema de compensación de potencia reactiva estática conreactores controlados por tiristoresque permiteuna compensación suave y rápida de la potencia capacitivaen el sistema.
Características principales
-
12 salidas de relé + salida SVC (TCR)
-
Puede utilizarse con uno o tres transformadores de corriente
-
Pantalla LCD de 2,9"+ 17 indicadores LED para facilitar la configuración y el control
-
RS485 MODBUS RTU- control remoto, compatible con SCADA
-
Salida de relé programable independiente para alarmas (sobretensión, armónicos, cosφ)
-
Protección por contraseñapara la configuración de parámetros
-
Indicación de las etapas de compensación conectadas
-
Ajuste automático y manual de los valores de los condensadores
-
Control del funcionamiento uniforme de las etapas individuales
-
Ajuste del tiempo de reacción a los cambios, tiempo de descarga y activación de las etapas
-
Compensación de componentes inductivos y capacitivos
-
Contadores de energía activa/reactiva incorporados (importación/exportación)
-
Visualización de hasta 31 armónicos de tensión y corriente
-
Medición de la distorsión armónica total (THD)
-
Analizador de energía reactiva incorporado con registro (20 registros de 9999 min.)
-
Conexión de condensadores monofásicos, bifásicos y trifásicos e inductancias en derivación
-
Capacidad de control con alimentación de generador
-
Máx. kvar por etapa: 100 kVA, máx. para controlador: 1200 kVA
Especificaciones técnicas
-
Tensión de funcionamiento:100-300 VCA
-
Precisión de medición:corriente/tensión ±0,5%, potencia activa ±1%, potencia reactiva ±2
-
Rango del transformador de corriente: 5/5 ... 5000/5
-
Conexión:bloque de desconexión rápida
-
Grado de protección:IP41 (panel frontal), IP20 (parte trasera)
-
Dimensiones del recorte del panel:140 × 140 mm
-
Montaje:fijación fiable en 4 puntos (2 de presión + 2 de tornillo)
Pantalla e indicación
-
Pantalla LCD gráfica de 2,9
-
17 LED para un control claro de los parámetros de funcionamiento
-
Indicación de las etapas conectadas
-
Visualización de la potencia total e individual, armónicos y factor de potencia
El controlador es adecuado para:
Instalaciones industriales y civiles: fábricas, talleres, granjas, hoteles, gasolineras, centros comerciales, escuelas, hospitales, bancos.
Datos técnicos
Instalación:en el panel frontal
Orificio de montaje:140 mm x 140 mm
Tipo de conexión:abrazadera de enchufe
Fijación:clavija para enchufe:Fijación: estribo de sujeción
