Aspiradores / Ventiladores
Instrumentos de medición
Interruptores de levas / Interruptores de palanca
Cajas de plástico vacías
Calefacción, ventilación, refrigeración
Luminarias, bombillas LED
Señalización óptica y acústica
Bloques terminales
Componentes de compensación
Transformadores de corriente para instrumentos
Controladores de nivel
Convertidores de protocolo
Enchufes, clavijas y extensiones
Reguladores de temperatura y sensores
Relé de protección
Relés de tiempo
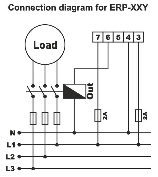
Descripción
Temporizador ON-DELAY relé monofuncional incorporado 230 V/AC con 1 contacto de conmutación.
El relé temporizador se utiliza para conmutar cargas por etapas: calderas eléctricas, hornos, calefactores, etc. y evitar así picos de corriente en la red y disparos de disyuntores debidos a grandes sobretensiones.
También puede utilizarse para coordinar el tiempo de conexión de varios dispositivos en máquinas, aparatos u otros equipos.
Intervalo de tiempo:
ERP-03Y - 0-3 s
ERP-12Y - 0-12 s
ERP-30Y - 0-30 s
ERP-60Y - 0-60 s
ERP-03DY - 0-3 min.
ERP-12DY - 0-12 min.
ERP-30DY - 0-30 min.
ERP-60DY - 0-60 min.
Datos técnicos
Contacto de conmutación:máx. 5A/250VAC
Frecuencia de funcionamiento:50/60 Hz
Potencia de funcionamiento:<4VA
Temperatura de funcionamiento:-20 °C .... +55 °C
Tipo de conexión:abrazadera enchufable
Fijación: Abrazadera: yugo de sujeción
